

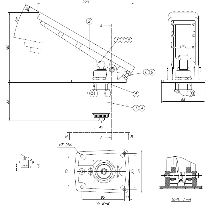
The unit is built around a treadle assembly made from die-cast aluminium with double return spring arrangement.
The valve is a pneumatic 3-way pressure reducing valve, either vertically or horizontally mounted. The later is used in case the complete pedal must be above the floor. There are eight different compensating springs to choice from, to optimize the output pressure range. The spring can easily be adjusted to precise pressure level within the range.
Pressing the pedal results in an output air pressure proportional to the treadle position, piloting a slave cylinder attached to the fuel pump or other type of actuator, depending on the application.
Part number – Valve mounted vertically: 872100, 873100
Part number – Valve mounted horizontally: 872200, 873200
We offer a wide range of configurable options to match your exact setup:
We work with you from concept to completion, helping you replace legacy parts or develop custom systems.
Our engineers provide CAD-based configuration, prototyping, and testing to ensure your cable works perfectly the first time. We also offer push-and-pull testing as standard, with lifecycle testing available on request. For urgent projects, same-day or next-day turnaround can be arranged to keep your production schedules moving.
Services available:
CAD design, prototyping, push-and-pull testing, lifecycle testing (on request), plus same-day and next-day turnaround to support urgent marine, industrial, or specialist engineering projects.
CAD design,
Prototyping,
Push-and-pull testing,
Lifecycle testing (on request),
Same-day and next-day turnaround to support urgent marine, industrial, or specialist engineering projects.



Have a question or need a custom solution? Fill out the form below and our expert team will get back to you with the answers and support you need to succeed.
Hindle Controls has become the Cable Controls group.
The same trusted team, with the same commitment to precision, refreshed to reflect the breadth of what we do.