

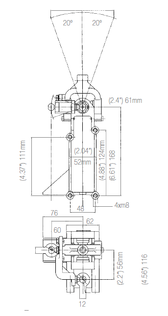
The MK6 remote manual shifter (RMS) is a compact, low profile unit that can be dash mounted to provide an efficient shift control for manual transmissions in a variety of vehicle types. The vertical cable outlets have the added advantage of facilitating facia or steering column mounting, which helps provide for a clear walk-through cab. When used with the servo translator, the MK6 is particularly well suited to the heavier gearboxes and longer cable runs found on rear engine coaches.
231106 – Master Unit (hand lever)
231749 – Master Unit with Centering Select Spring
231713 – Standard Shift Cable
231713 – Standard Select Cable
															We offer a wide range of configurable options to match your exact setup:
We work with you from concept to completion, helping you replace legacy parts or develop custom systems.
Our engineers provide CAD-based configuration, prototyping, and testing to ensure your cable works perfectly the first time. We also offer push-and-pull testing as standard, with lifecycle testing available on request. For urgent projects, same-day or next-day turnaround can be arranged to keep your production schedules moving.
Services available:
CAD design, prototyping, push-and-pull testing, lifecycle testing (on request), plus same-day and next-day turnaround to support urgent marine, industrial, or specialist engineering projects.
CAD design,
Prototyping,
Push-and-pull testing,
Lifecycle testing (on request),
Same-day and next-day turnaround to support urgent marine, industrial, or specialist engineering projects.
															Need something custom? 
We offer bespoke 
cable assemblies.
Have a question or need a custom solution? Fill out the form below and our expert team will get back to you with the answers and support you need to succeed.
															
															
															Hindle Controls has become the Cable Controls group.
The same trusted team, with the same commitment to precision, refreshed to reflect the breadth of what we do.