

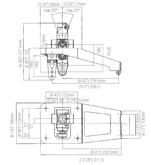
The MK8 remote manual shifter (RMS) provides an extremely effective solution for controlling manual gearboxes in cab-over-engine trucks, rear engine buses and a variety of mid-engine vehicles. In fact, the unit is applicable in almost any situation where the gear box is remote from the driver. Based on one cable each for shift and select functions, this unit has the added advantage of having adjustable travel stops on the select mode that assist in selecting the extreme rails on long cable applications. Gear levers are optional, allowing customers to select their own preferred standard.
209270 – Master Unit (hand lever)
231800 – Master Unit with Ball Joint Studs
209325 – Standard Shift Cable
209349 – Standard Select Cable
															We offer a wide range of configurable options to match your exact setup:
We work with you from concept to completion, helping you replace legacy parts or develop custom systems.
Our engineers provide CAD-based configuration, prototyping, and testing to ensure your cable works perfectly the first time. We also offer push-and-pull testing as standard, with lifecycle testing available on request. For urgent projects, same-day or next-day turnaround can be arranged to keep your production schedules moving.
Services available:
CAD design, prototyping, push-and-pull testing, lifecycle testing (on request), plus same-day and next-day turnaround to support urgent marine, industrial, or specialist engineering projects.
CAD design,
Prototyping,
Push-and-pull testing,
Lifecycle testing (on request),
Same-day and next-day turnaround to support urgent marine, industrial, or specialist engineering projects.
Have a question or need a custom solution? Fill out the form below and our expert team will get back to you with the answers and support you need to succeed.
															
															
															Hindle Controls has become the Cable Controls group.
The same trusted team, with the same commitment to precision, refreshed to reflect the breadth of what we do.