


These ball joints are constructed from durable materials such as steel, stainless steel, or reinforced polymers, often with low-friction liners or protective coatings to ensure smooth motion, corrosion resistance, and long service life. The design can include snap-fit or threaded connections for easy assembly and maintenance, and optional features such as dust seals, quick-disconnect mechanisms, vibration damping, and angle-limiting stops to enhance performance in demanding environments.
Customisable options include ball and socket sizes, material selection, load ratings, articulation angles, and environmental protection, making them suitable for automotive, industrial, marine, and aerospace applications where reliable and precise control cable operation is critical.
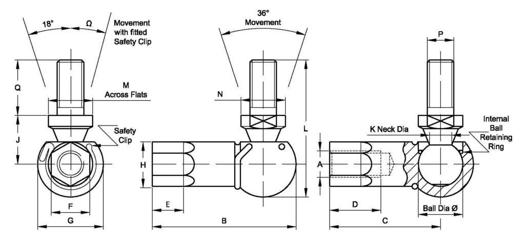
Material: Body Low carbon steel.. Ball stud Medium carbon steel, ball is induction hardened. Inner retaining ring and safety clip Hard drawn spring steel.
Protective Finish: Zinc plated and passivated. Ball Stud, inner retaining ring and safety clip are de-embrittled. The assembly is lubricated.
Based upon Din Standard 71802
The ball stud is retained by a captive internal wire ring with additional stud retention security provided by the external wire safety clip.
For improved wear resistance, the ball is induction hardened and there is an optional gaiter available to help resist dirt ingress.
HCCBJ Ball Joints are also available without stud for later assembly on to a pre-positioned stud.
Compatible with Threaded Ball Studs and Rivetting Ball Studs.
Stainless Steel Ball Joints are also available, please contact us for details.
CBJ5
CBJ6
CBJ8
CBJ10
CBJ12
If a fitted gaiter is required then the suffix “G should be added to the part number. E.g CBJG10.
We offer a wide range of configurable options to match your exact setup:
We work with you from concept to completion, helping you replace legacy parts or develop custom systems.
Our engineers provide CAD-based configuration, prototyping, and testing to ensure your cable works perfectly the first time. We also offer push-and-pull testing as standard, with lifecycle testing available on request. For urgent projects, same-day or next-day turnaround can be arranged to keep your production schedules moving.
Services available:
CAD design, prototyping, push-and-pull testing, lifecycle testing (on request), plus same-day and next-day turnaround to support urgent marine, industrial, or specialist engineering projects.
CAD design,
Prototyping,
Push-and-pull testing,
Lifecycle testing (on request),
Same-day and next-day turnaround to support urgent marine, industrial, or specialist engineering projects.
Have a question or need a custom solution? Fill out the form below and our expert team will get back to you with the answers and support you need to succeed.
Hindle Controls has become the Cable Controls group.
The same trusted team, with the same commitment to precision, refreshed to reflect the breadth of what we do.